Schweissbund S5 PN 16 DN 100 / d 125mm 753 800 015
PE100 Stutzenformstücke langschenklig

Bitte melden Sie sich an um den Warenkorb nutzen zu können und anschliessend Bestellungen abschliessen zu können.

Anmelden
Artikel-Nr:2078546NPK-Nr:425.428

Beschreibung

- Für Stumpf-, IR Plus- und Elektroschweissung, 10 bar Gas / 16 bar Wasser
- Passend für Flanschverbindungen metrisch (ab d110 auch für ANSI/ASME B 16.5). Bis d280
- Passend zu Absperrklappe Typ 567/568 und 037/038/039
- d20-d630: Profil-Flanschdichtung NBR Nr. 45 44 07
- EPDM Nr. 48 44 07, ab Grösse 75 mit Fase

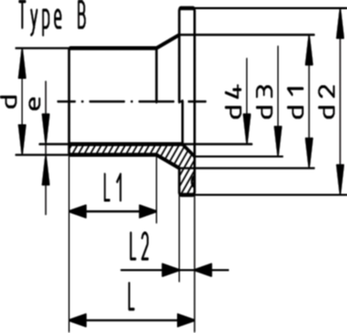
Spezifikationen

d (mm)
125
DN
100
d1 (mm)
132
d2 (mm)
158
d3 (mm)
114
d4 (mm)
102
L (mm)
170
L1 (mm)
125
L2 (mm)
25
e (mm)
11.4
Gewicht
0.93 kg / STK

Zuletzt besuchte Artikel

Um Ihnen in unserem eShop den bestmöglichen Service zu gewährleisten verwenden wir Cookies. Erfahren Sie mehr über die Cookie-Nutzung