Reduktion exzentrisch lang 310.080.14.1 d 110/ 90mm
Geberit-PE-Silent-Formstücke

Bitte melden Sie sich an um den Warenkorb nutzen zu können und anschliessend Bestellungen abschliessen zu können.

Anmelden
Artikel-Nr:2019330

Beschreibung

- Zum Reduzieren des Durchmessers von Rohren und Formstücken

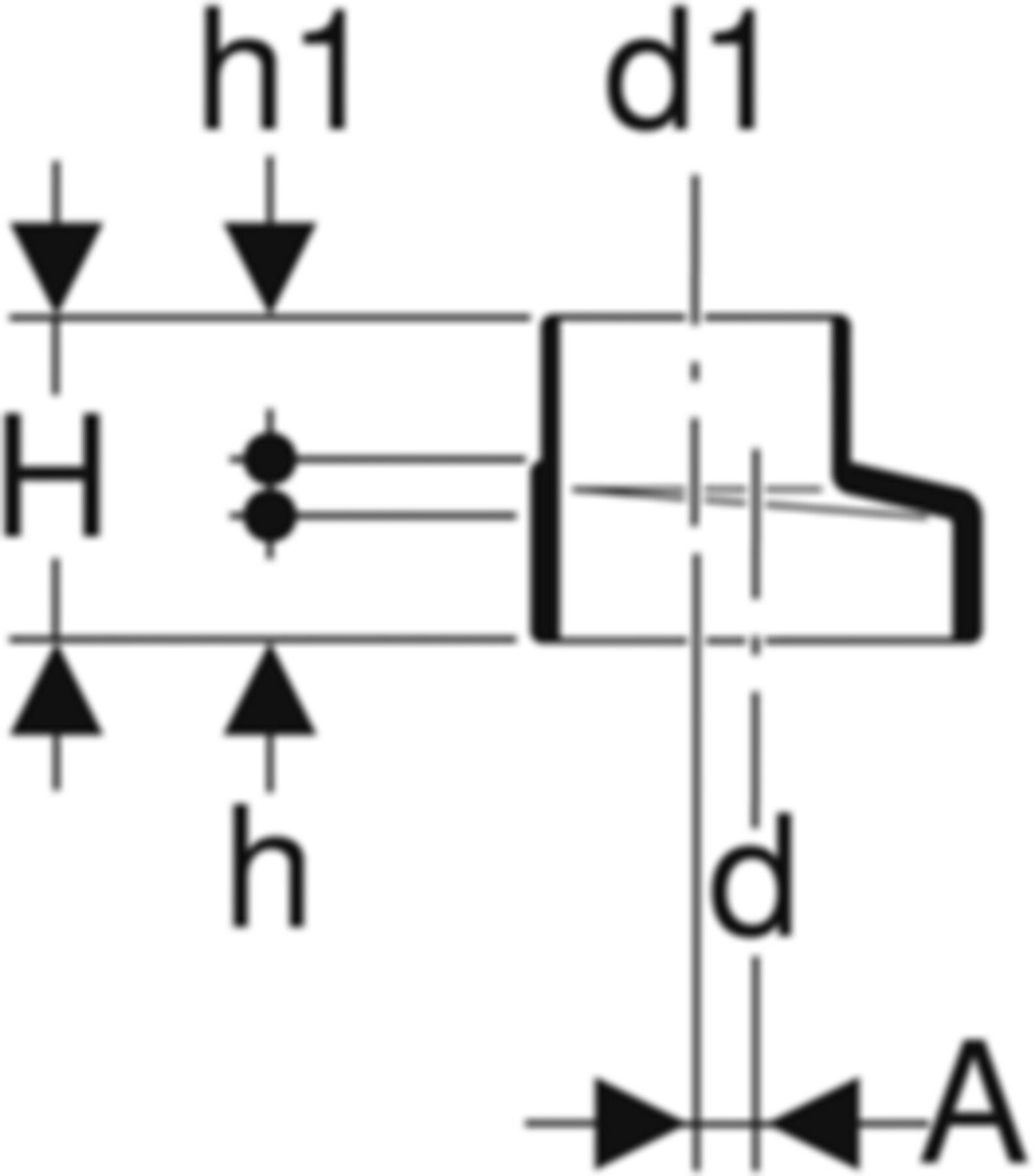
Spezifikationen

Ø d (mm)
110
Ø d1 (mm)
90
H (cm)
11.0
Höhe Teilmass h1 (cm)
3.7
h (cm)
6.1
Kürzung bei Spiegelschweissen Ks max. (cm)
4
Kürzung bei Spiegelschweissen Ks1 max. (cm)
2
A (cm)
1.0
Gewicht
0.38 kg / STK

Zuletzt besuchte Artikel

Um Ihnen in unserem eShop den bestmöglichen Service zu gewährleisten verwenden wir Cookies. Erfahren Sie mehr über die Cookie-Nutzung