Lsk-Holzschr Schlitz St vzb BN958 DIN95 3,5x30
Bossard Schrauben

Bitte melden Sie sich an um den Warenkorb nutzen zu können und anschliessend Bestellungen abschliessen zu können.

Anmelden
Artikel-Nr:2043871

Beschreibung

3,5 x 30 Linsensenk-Holzschrauben mit Schlitz Stahl verzinkt-blau BN 958; KG 10 ; Norm1: DIN 95 ; Norm2: ; Norm3: ; Norm4: ~UNI 703; Qualität ; Farbe: ; Oberfläche: verzinkt-blau; zus. Unterscheidung:

Spezifikationen

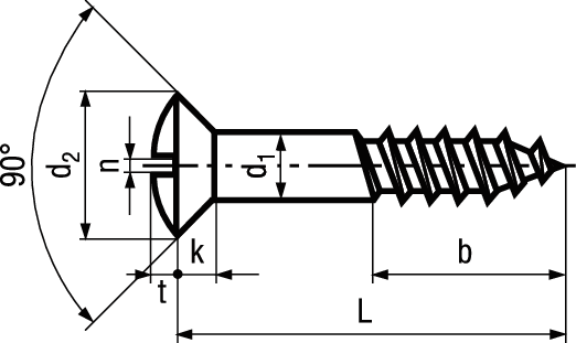
d1 (mm)
3,5
L (gross) (mm)
30
d2 (mm)
6,5
k max. (mm)
1,93
n
0,8
t min. (mm)
1,4
b >=
0,6 L
Verpackung
1 Pkt = 200 STK
Gewicht
0.37 kg / Pkt
Um Ihnen in unserem eShop den bestmöglichen Service zu gewährleisten verwenden wir Cookies. Erfahren Sie mehr über die Cookie-Nutzung