Hammerschr Halbrundkopf U St vni BN896 3,86x12,70
Bossard Schrauben

Bitte melden Sie sich an um den Warenkorb nutzen zu können und anschliessend Bestellungen abschliessen zu können.

Anmelden
Artikel-Nr:2043072

Beschreibung

3,86 x 12,70 Hammerschrauben Typ U mit Halbrundkopf Stahl einsatzgehärtet vernickelt BN 896; KG 8 ; Norm1: ~UNI 7346 ; Norm2: ; Norm3: ; Norm4: ~ČSN 022195; Qualität ; Farbe: ; Oberfläche: vernickelt; zus. Unterscheidung:

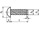
Spezifikationen

d1 (mm)
3,86
L (gross) Länge (mm)
12,7
d2 (mm)
3,1-3,2
d3 (mm)
6,71-7,24
k (mm)
2,61-2,82
s min. (mm)
1,59
Lochdurchmesser (mm)
3,45
Verpackung
1 Pkt = 100 STK
Gewicht
0.13 kg / Pkt

Zuletzt besuchte Artikel

Um Ihnen in unserem eShop den bestmöglichen Service zu gewährleisten verwenden wir Cookies. Erfahren Sie mehr über die Cookie-Nutzung