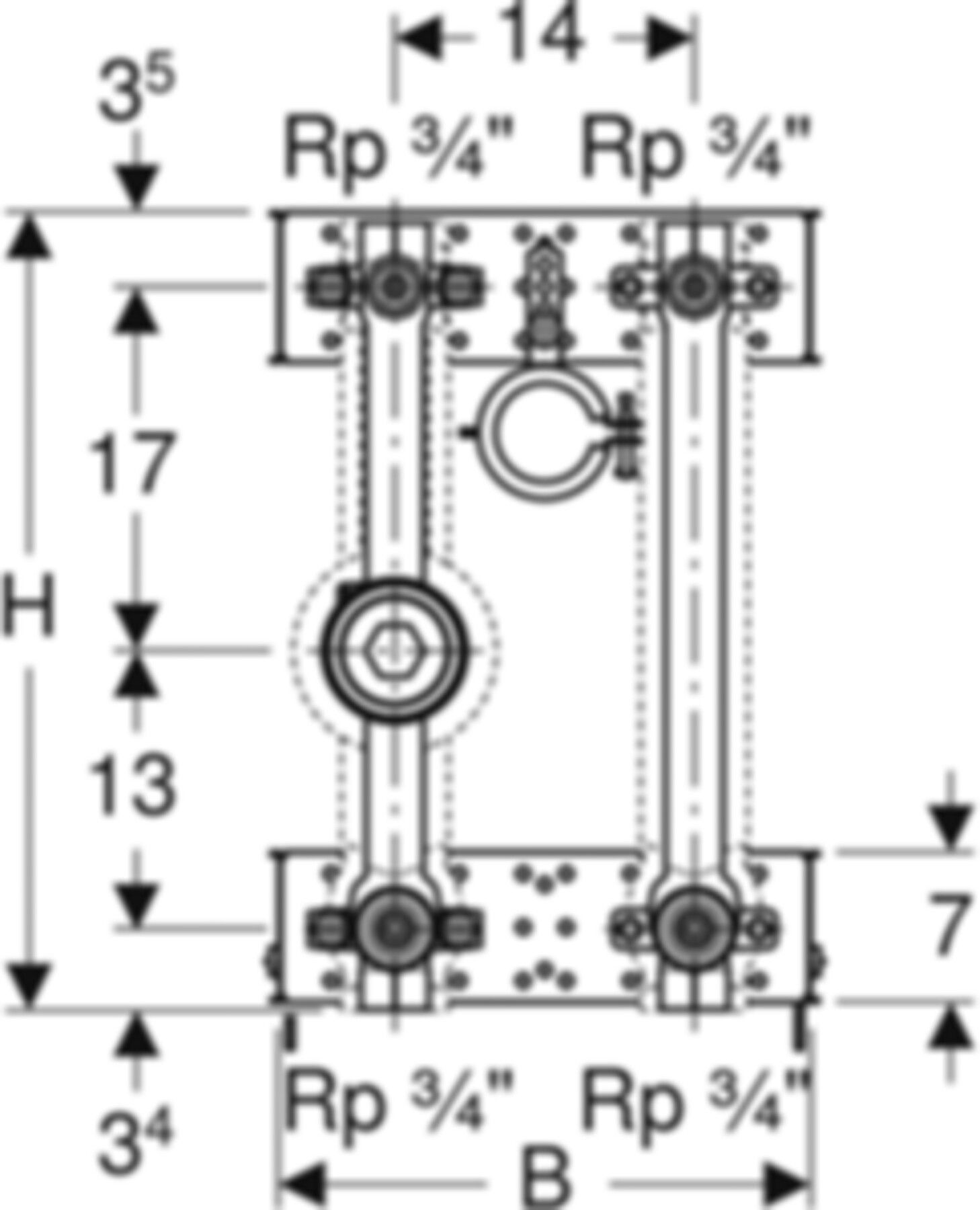
GIS-Waschtisch-Set Standarm.461.154.00.1 eine Wasserzählerstrecke mit UP-Ventil
Geberit Systemventile / Armaturen

Bitte melden Sie sich an um den Warenkorb nutzen zu können und anschliessend Bestellungen abschliessen zu können.

Anmelden
Artikel-Nr:3193580

Beschreibung

- Für Standarmatur
- Mit einer Wasserzählerstrecke und einer Wasserstrecke mit UP-Absperrventil
- Im Geberit GIS Tragwerk stufenlos höhenverstellbar
- Befestigung Anschlussbogen schallgedämmt
- Befestigungsabstand Waschtisch standardmässig 28 cm, anpassbar mit dem Geberit GIS Tragwerk
- Wasserzählerstrecken schalldämmend eingebaut
- Mit einer Messkapsel KOAX G 2" bestückbar
- Mit Wasserzählerstrecke aus Rotguss, Rp 3/4"
- Oberteil austauschbar
- Dämmung aus EPP
- Traverse verzinkt
- Traverse mit zwei Schnellbefestigungen
- Schutzstopfen für einmalige Druckprüfung mit Kaltwasser bis maximal 15 bar / 1500 kPa
Verwendungszweck
- Zum Einbau in Geberit GIS Tragsysteme für Vorwände, Trennwände oder frei stehende Wände
- Zur Montage von Waschtischen

Spezifikationen

Gewicht
4 kg / STK

Zuletzt besuchte Artikel

Um Ihnen in unserem eShop den bestmöglichen Service zu gewährleisten verwenden wir Cookies. Erfahren Sie mehr über die Cookie-Nutzung