Element für Waschtisch Standarmatur 111.586.00.3 Typ 98 zwei Wasserzählerstr., mit UP-Ventil
Geberit-Duofix

Bitte melden Sie sich an um den Warenkorb nutzen zu können und anschliessend Bestellungen abschliessen zu können.

Anmelden
Artikel-Nr:4001555
Geberit Vertriebs AG

Beschreibung

Eigenschaften:
- Mit Anschluss-T-Stück Rp 1/2"
- Traverse Armatur höhen- und tiefenverstellbar
- Fussplatten drehbar, passend zum Einbau in U-Profile UW 50 und UW 75
- Baureihe 2025
- Statisch selbsttragender Rahmen, mit Pulverbeschichtung korrosionsgeschützt
- Schutzstopfen für einmalige Druckprüfung mit Kaltwasser bis maximal 15 bar / 1500 kPa
- Messkapseln und Absperrventile abdeckbar
- Mit Wasserzählerstrecke aus Rotguss, Rp 3/4"
- Wasserzählerstrecken schalldämmend eingebaut
- Alternative Befestigungsposition für Wandanker
- Dämmung aus EPP
- Bei Befestigungsabstand 18 oder 28 cm Gewindestangen tiefenverstellbar
- Fussplatten werkzeuglos in Geberit Duofix Systemschiene montierbar, ohne Zusatzkomponenten
- Befestigung für Anschlussbogen höhenverstellbar und schallgedämmt
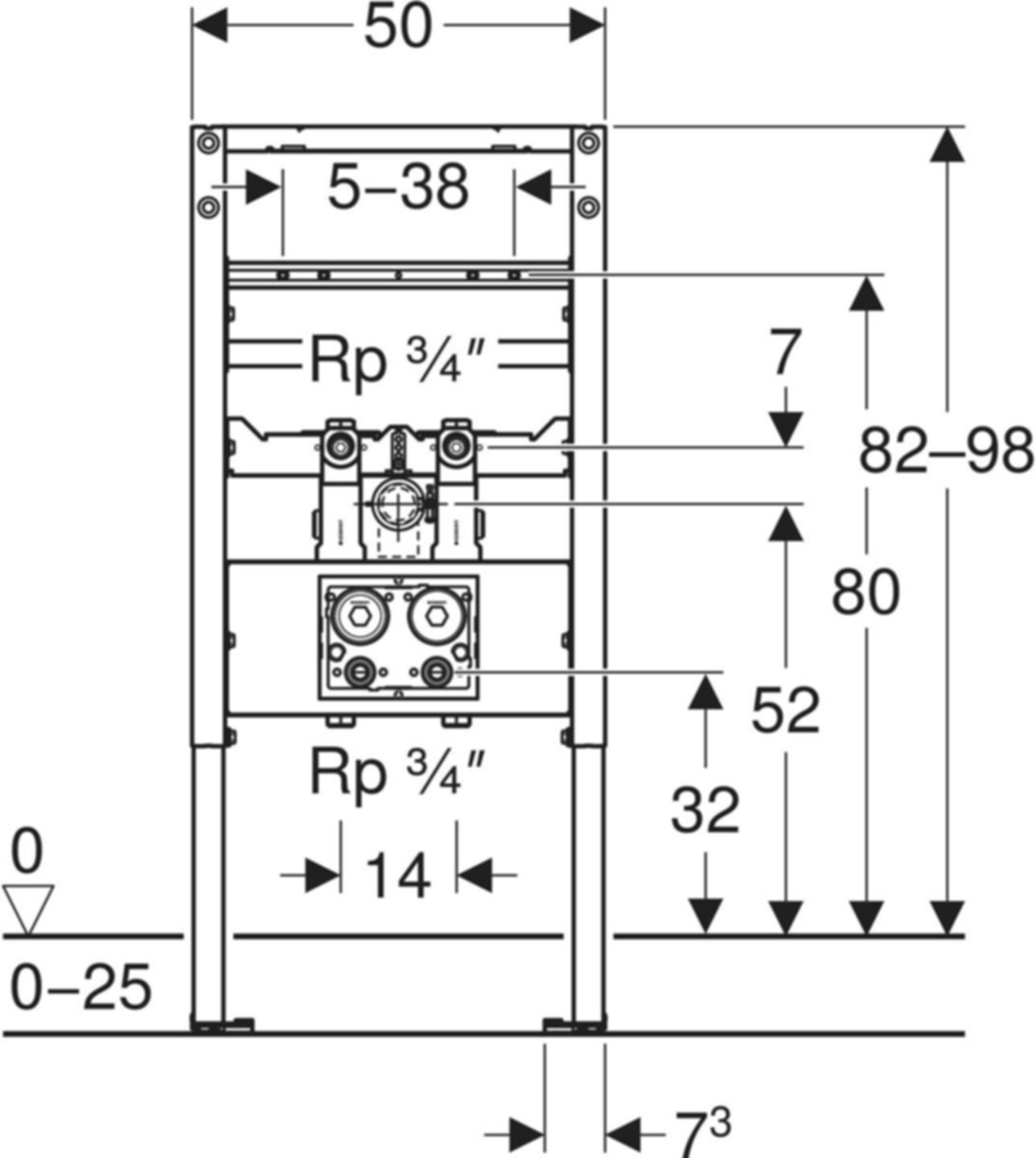
- Befestigungsabstand Waschtisch 5–38 cm
- Fussstützen verzinkt korrosionsgeschützt, mit Rutschhemmung
- Mit Anschluss-T-Stück Rp 3/4"
- Oberteil austauschbar
- Mit Absperrventil R 3/4"
£
Verwendungszweck:
- Für Geberit Duofix Systemwände
- Für Metall- und Holzständerwände
- Zum Einbau von Messkapseln mit Gewinde KOAX G 2"
- Für Standarmaturen
- Zur Montage von Waschtischen
- Für Fussbodenaufbauten 0–25 cm
- Zum Einbau in teilhohe Vorwände

Spezifikationen

Breite B (cm)
50
H (cm)
82–98
Tiefe T (cm)
14
Gewicht
10 kg / STK

Zuletzt besuchte Artikel

Um Ihnen in unserem eShop den bestmöglichen Service zu gewährleisten verwenden wir Cookies. Erfahren Sie mehr über die Cookie-Nutzung