Element für Waschtisch 111.552.00.2 Typ 112, Standarmatur m/UP-Funktionsbox
Geberit-Duofix

Bitte melden Sie sich an um den Warenkorb nutzen zu können und anschliessend Bestellungen abschliessen zu können.

Anmelden
Artikel-Nr:3193570

Beschreibung

Eigenschaften:
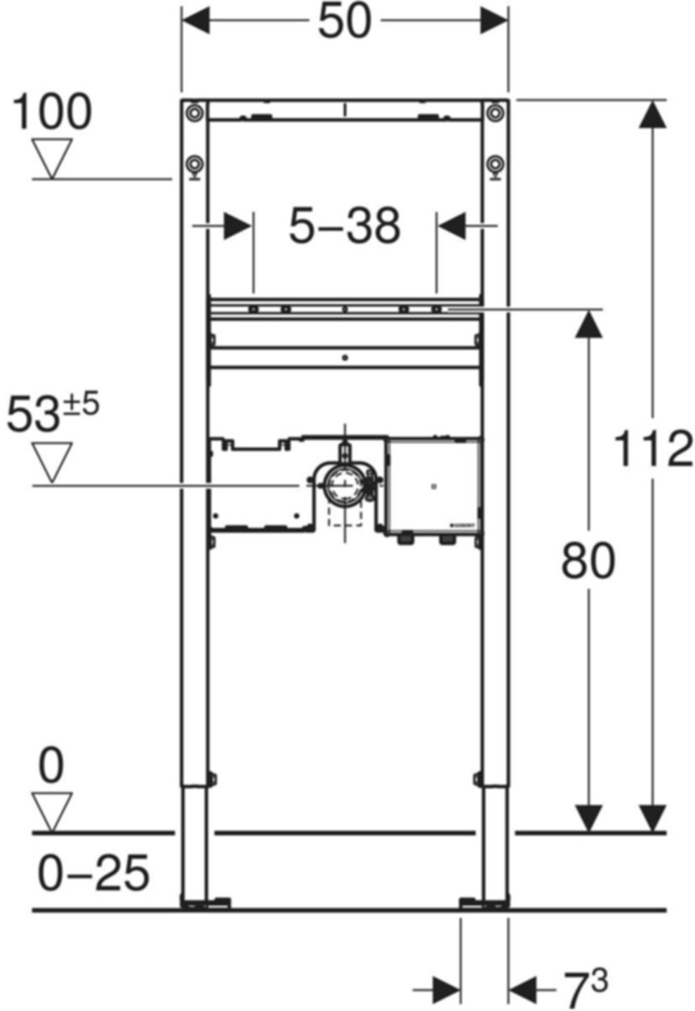
- Alternative Befestigungsposition für Wandanker
- Wasseranschluss an Unterputzgehäuse, unten
- Absperreinheiten in Unterputzgehäuse integriert
- Statisch selbsttragender Rahmen, mit Pulverbeschichtung korrosionsgeschützt
- Fussplatten drehbar, passend zum Einbau in U-Profile UW 50 und UW 75
- Baureihe 2025
- Fussstützen verzinkt korrosionsgeschützt, mit Rutschhemmung
- Befestigungsabstand Waschtisch 5–38 cm
- Befestigung für Anschlussbogen höhenverstellbar und schallgedämmt
- Bei Befestigungsabstand 18 oder 28 cm Gewindestangen tiefenverstellbar
- Fussplatten werkzeuglos in Geberit Duofix Systemschiene montierbar, ohne Zusatzkomponenten
- Mit Auszugsblech für seitliche Befestigung über dem Element an Metall- oder Holzprofilen oder an Geberit Duofix Systemständern
- Wasseranschluss MasterFix- und MeplaFix-fähig
- Anschlussklemme für Elektroanschluss im Unterputzgehäuse
- Unterputzgehäuse für Geberit Waschtischarmatur, Standmontage, für Unterputzfunktionsbox, vormontiert
£
Verwendungszweck:
- Zum Einbau in raumhohe Trennwände
- Für Geberit Duofix Systemwände
- Zur Montage von Waschtischen
- Für Piave und Brenta Waschtischarmaturen, Standmontage, für Unterputzfunktionsbox
- Für Fussbodenaufbauten 0–25 cm
- Zum Einbau in teil- oder raumhohe Vorwände
- Für Metall- und Holzständerwände

Spezifikationen

Breite B (cm)
50
H (cm)
112
Tiefe T (cm)
7.3
Gewicht
11.5 kg / STK

Zuletzt besuchte Artikel

Um Ihnen in unserem eShop den bestmöglichen Service zu gewährleisten verwenden wir Cookies. Erfahren Sie mehr über die Cookie-Nutzung