Bund mit Steckende 28mm 36142 für Losflansch PN10/16
Mapress-Sanitär-Presssystem-Formstücke

Bitte melden Sie sich an um den Warenkorb nutzen zu können und anschliessend Bestellungen abschliessen zu können.

Anmelden
Artikel-Nr:4006651

Beschreibung

- Mit Einschubende PN 10/16
- LABS-frei
- Passend zu Losflansch nach EN 1092-1, Flansch Typ 02
£
Verwendungszweck
- Für Trinkwasser kalt und warm
- Für Heizungswasser
- Für Kühlwasser ohne Frostschutzmittel
- Für Kühlwasser mit Frostschutzmittel
- Für Fernwärmeheizungswasser = 120° C
- Für Sattdampf = 120° C
- Für Betriebswasser
- Für aufbereitete Wässer
- Für Regenwasser mit pH-Wert > 6.0
- Für Grau- und Schwarzwasser mit pH-Wert > 6.0
- Für Löschwasser (nass)
- Für Sprinkler (nass)
- Für Chemikalien und technische Fluide
- Für Druckluft (Reinheitsklasse Öl 0–3)
- Für Unterdruck
- Für Inertgase (z. B. Stickstoff)
- Für Industriegase (z. B. Acetylen, Schweissschutzgase)
- Verwendungsübersicht: Geberit Mapress Edelstahl für flüssige Medien
- Verwendungsübersicht: Geberit Mapress Edelstahl für gasförmige Medien

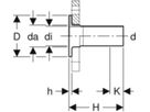
Spezifikationen

DN
25
Ø d (mm)
28
Ø di (mm)
25.6
Ø da (mm)
32
D (mm)
6.8
H (mm)
13.5
h (mm)
0.6
PN (bar)
10/16
Gewicht
2 kg / STK

Zuletzt besuchte Artikel

Um Ihnen in unserem eShop den bestmöglichen Service zu gewährleisten verwenden wir Cookies. Erfahren Sie mehr über die Cookie-Nutzung