Bogen 90° nahtlos PE100 S8 PN 10 d 315mm 753 000 823
PE100 Stutzenformstücke langschenklig

Bitte melden Sie sich an um den Warenkorb nutzen zu können und anschliessend Bestellungen abschliessen zu können.

Anmelden
Artikel-Nr:2078580NPK-Nr:421.128

Beschreibung

- Langschenklige Version, 5 bar Gas / 10 bar Wasser
- Nahtlose Bögen dürfen nicht gekürzt werden
*Aus nahtlosem Rohr gefertigt

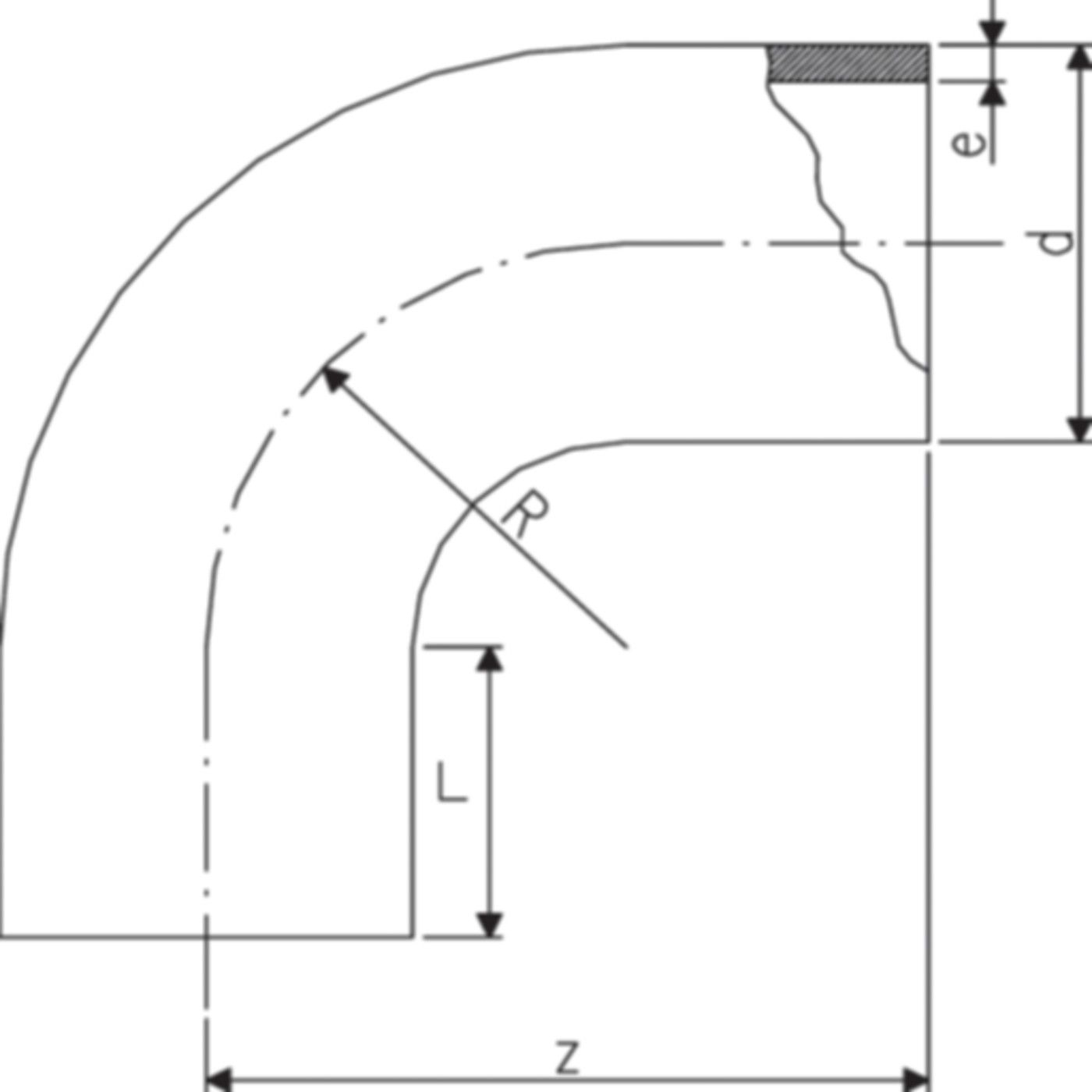
Spezifikationen

d (mm)
315
L (mm)
150
R (mm)
315
z (mm)
470
e (mm)
18.7
Gewicht
22.5 kg / STK

Zuletzt besuchte Artikel

Um Ihnen in unserem eShop den bestmöglichen Service zu gewährleisten verwenden wir Cookies. Erfahren Sie mehr über die Cookie-Nutzung