Ausbaustück Typ PO, feststellbar PN 10 Gewindeanker rostfrei L=220mm DN 200
Wild Absperrklappen

Bitte melden Sie sich an um den Warenkorb nutzen zu können und anschliessend Bestellungen abschliessen zu können.

Anmelden
Artikel-Nr:3076927

Beschreibung

- Gewindeanker Edelstahl A2, feststellbar
- Vollschutz Epoxy-Pulverbeschichtung
- Stahlschweisskonstruktion

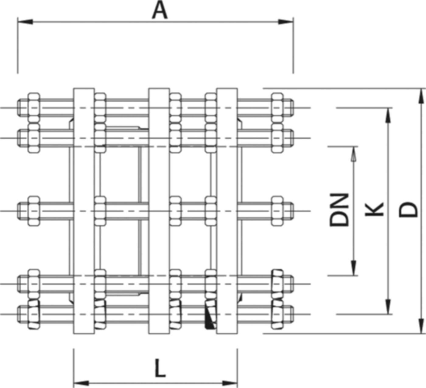
Spezifikationen

DN
200
PN (bar)
10
L (mm)
220
X (mm)
+/- 25
A (mm)
340
K (mm)
295
D (mm)
340
Gewindeanker
8
Gewicht (kg)
48
Gewicht
48 kg / STK

Zuletzt besuchte Artikel

Um Ihnen in unserem eShop den bestmöglichen Service zu gewährleisten verwenden wir Cookies. Erfahren Sie mehr über die Cookie-Nutzung